
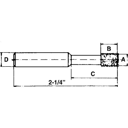
0.236″ × 0.275″ × 1/4″-120 Grit - Cubic Boron Nitride Jig Grinding Mandrel
2% Off All Online Orders
Use Code: 2%OFF
Best Price Guarantee - Email Us A Better Published Price and We'll Beat It
2% Off All Online Orders
Use Code: 2%OFF
Best Price Guarantee - Email Us A Better Published Price and We'll Beat It