
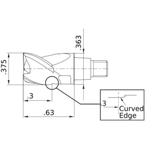
IMX10S3A0375P ET2020 SOLID CARB EM
Item #: MB03827112
Brand: Mitsubishi Materials USA
Model #: 827112
Product Specifications | |
---|---|
Cutting Diameter (DC) | 3/8″ |
Flute Helix Angle (FHA) | 37.5 Degrees |
Applicable Material | Aluminum / Non-Ferrous Materials |
Grade | ET2020 |
Flute Count (NOF) | 3 |
Measurement Type | Inch |
Depth of Cut Maximum (APMX) | 0.3″ |
Cutting Edge Material | Carbide |
Connection Diameter Machine Side (DCONMS) | 0.363″ |
Series/List # | iMX_S3A_INCH |
Functional Length (LF) | 0.63″ |
End Shape | Square |
2% Off All Online Orders
Use Code: 2%OFF
Best Price Guarantee - Email Us A Better Published Price and We'll Beat It