
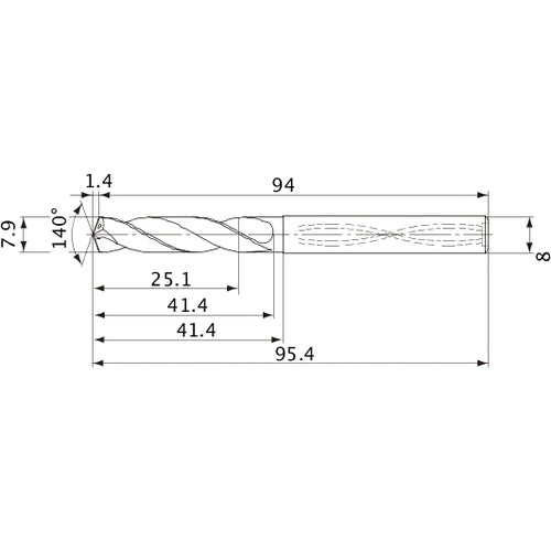
MVS0790X03S080 DP1020 7.9 mm Dia. × 8 mm Shank × 41.4 mm Flute Length × 95.4 mm OAL, 140°, 2 Flute, Coolant Thru, Solid Carbide Drill
Item #: MB03667008
Brand: Mitsubishi Materials USA
Model #: 667008
Product Specifications | |
---|---|
Drill Bit Size / Cutting Diameter (DC) | 7.9 mm |
Flute Helix Angle (FHA) | 30 Degrees |
Drill Bit Size / Cutting Diameter (DC) - Metric | 7.9 mm |
Cutting Edge Material | Carbide |
Length Group | 3xD |
Grade | DP1020 |
Applicable Material | Steel | Stainless Steel | Cast Iron | Hard Materials | Super-Alloys / Titanium | Aluminum / Non-Ferrous Materials |
Measurement Type | Metric |
Connection Diameter Machine Side (DCONMS) | 8 mm |
Series/List # | MVS |
Head Length (LH) | 41.4 mm |
Usable Length (LU) | 25.1 mm |
Coolant Supply Property (CSP) | Coolant Thru |
Length Chip Flute (LCF) | 41.4 mm |
Point Angle (SIG) | 140 Degrees |
Overall Length (OAL) | 95.4 mm |
Point Length (PL) | 1.4 mm |
Flute Count (NOF) | 2 |
Functional Length (LF) | 94 mm |
Feature | New grade DP1020 offers long tool life for a wide range of work materials.,Unique coolant supply technology, TRI-cooling offers high machining efficiency. (on drills over ø6) |
2% Off All Online Orders
Use Code: 2%OFF
Best Price Guarantee - Email Us A Better Published Price and We'll Beat It