
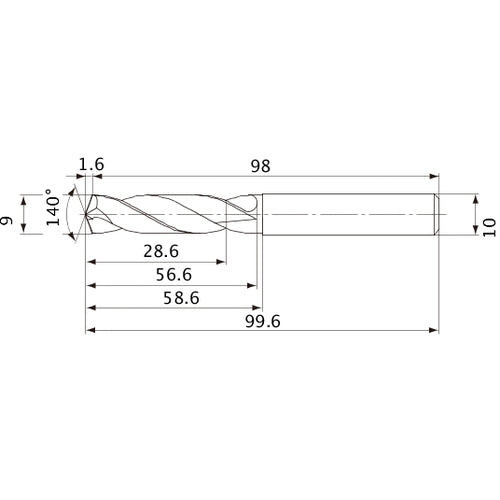
MVE0900X03S100 DP1020 9 mm Dia. × 10 mm Shank × 56.6 mm Flute Length × 99.6 mm OAL, 140°, 2 Flute, External Coolant, Solid Carbide Drill
Item #: MB03665791
Brand: Mitsubishi Materials USA
Model #: 665791
Product Specifications | |
---|---|
Drill Bit Size / Cutting Diameter (DC) | 9 mm |
Flute Helix Angle (FHA) | 30 Degrees |
Drill Bit Size / Cutting Diameter (DC) - Metric | 9 mm |
Cutting Edge Material | Carbide |
Length Group | 3xD |
Grade | DP1020 |
Applicable Material | Steel | Stainless Steel | Cast Iron | Hard Materials | Super-Alloys / Titanium | Aluminum / Non-Ferrous Materials |
Measurement Type | Metric |
Connection Diameter Machine Side (DCONMS) | 10 mm |
Series/List # | MVE |
Head Length (LH) | 58.6 mm |
Usable Length (LU) | 28.6 mm |
Coolant Supply Property (CSP) | External |
Length Chip Flute (LCF) | 56.6 mm |
Point Angle (SIG) | 140 Degrees |
Overall Length (OAL) | 99.6 mm |
Point Length (PL) | 1.6 mm |
Flute Count (NOF) | 2 |
Functional Length (LF) | 98 mm |
Feature | New grade DP1020 offers long tool life for a wide range of work materials.,The unique wavy cutting edge provides excellent sharpness and rigidity and helps to control wear at the periphery. |
2% Off All Online Orders
Use Code: 2%OFF
Best Price Guarantee - Email Us A Better Published Price and We'll Beat It