
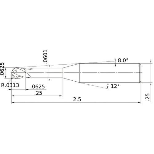
VF2XLBD1/16N4D CARBIDE ENDMILL
Item #: MB03613667
Brand: Mitsubishi Materials USA
Model #: 613667
Product Specifications | |
---|---|
Cutting Diameter (DC) | 1/16″ |
Corner Radius (RE) | 0.0313″ |
Connection Diameter Machine Side (DCONMS) | 1/4″ |
Neck Diameter (DN) | 0.0601″ |
Depth of Cut Maximum (APMX) | 1/16″ |
Body Half Taper Angle (BHTA) | 12 Degrees |
Overall Length (OAL) | 2-1/2″ |
Peripheral Effective Cutting Edge Count (ZEFP) | 2 |
Coating | VF |
Length Group | Long - Necked |
Flute Count (NOF) | 2 |
Decimal Equivalent | 0.0625″ |
Flute Helix Angle (FHA) | 30 Degrees |
Measurement Type | Inch |
End Shape | Ball |
Series/List # | VF2XLB_INCH |
Usable Length (LU) | 1/4″ |
2% Off All Online Orders
Use Code: 2%OFF
Best Price Guarantee - Email Us A Better Published Price and We'll Beat It