
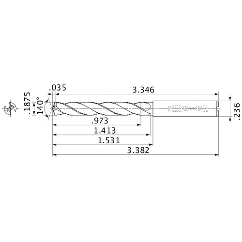
MMS0476X5D060 DP7020 3/16″ Dia. × 0.236″ Shank × 1.413″ Flute Length × 3.382″ OAL, 140°, 2 Flute, Coolant Thru, Solid Carbide Drill
Item #: MB03601834
Brand: Mitsubishi Materials USA
Model #: 601834
Product Specifications | |
---|---|
Drill Bit Size / Cutting Diameter (DC) | 3/16″ |
Flute Helix Angle (FHA) | 30 Degrees |
Drill Bit Size / Cutting Diameter (DC) - Inch | 3/16″ |
Cutting Edge Material | Carbide |
Decimal Equivalent | 0.1875″ |
Grade | DP7020 |
Length Group | 5xD |
Measurement Type | Inch |
Applicable Material | Cast Iron |
Series/List # | MMS_INCH |
Connection Diameter Machine Side (DCONMS) | 0.236″ |
Usable Length (LU) | 0.973″ |
Head Length (LH) | 1.531″ |
Length Chip Flute (LCF) | 1.413″ |
Coolant Supply Property (CSP) | Coolant Thru |
Overall Length (OAL) | 3.382″ |
Point Angle (SIG) | 140 Degrees |
Flute Count (NOF) | 2 |
Point Length (PL) | 0.035″ |
Feature | New grade DP7020 and a unique margin, developed specifically for stainless steel, complement high flow coolant holes.,Long drill life and high efficiency drilling of holes in stainless steel. |
Functional Length (LF) | 3.346″ |
2% Off All Online Orders
Use Code: 2%OFF
Best Price Guarantee - Email Us A Better Published Price and We'll Beat It