
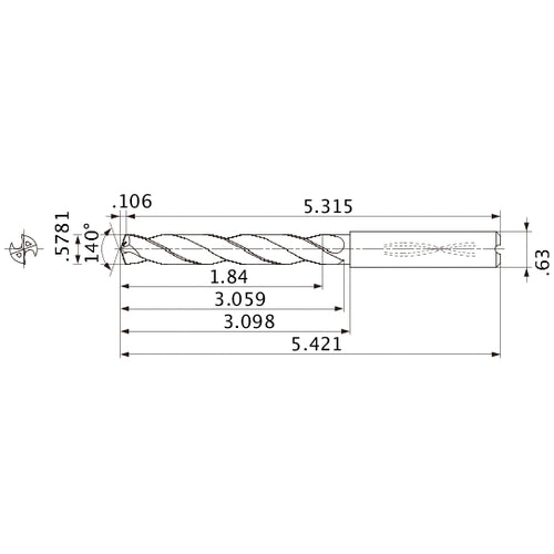
MMS1468X3D160 DP7020 0.5781″ Dia. × 0.63″ Shank × 3.059″ Flute Length × 5.421″ OAL, 140°, 2 Flute, Coolant Thru, Solid Carbide Drill
Item #: MB03601623
Brand: Mitsubishi Materials USA
Model #: 601623
Product Specifications | |
---|---|
Drill Bit Size / Cutting Diameter (DC) | 0.5781″ |
Flute Helix Angle (FHA) | 30 Degrees |
Drill Bit Size / Cutting Diameter (DC) - Inch | 0.5781″ |
Cutting Edge Material | Carbide |
Length Group | 3xD |
Grade | DP7020 |
Applicable Material | Cast Iron |
Measurement Type | Inch |
Connection Diameter Machine Side (DCONMS) | 0.63″ |
Series/List # | MMS_INCH |
Head Length (LH) | 3.098″ |
Usable Length (LU) | 1.84″ |
Coolant Supply Property (CSP) | Coolant Thru |
Length Chip Flute (LCF) | 3.059″ |
Point Angle (SIG) | 140 Degrees |
Overall Length (OAL) | 5.421″ |
Point Length (PL) | 0.106″ |
Flute Count (NOF) | 2 |
Functional Length (LF) | 5.315″ |
Feature | New grade DP7020 and a unique margin, developed specifically for stainless steel, complement high flow coolant holes.,Long drill life and high efficiency drilling of holes in stainless steel. |
2% Off All Online Orders
Use Code: 2%OFF
Best Price Guarantee - Email Us A Better Published Price and We'll Beat It