
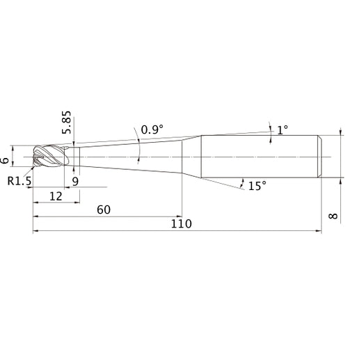
VFHVRBD060R15N060T09 SOLID CARB EM
Item #: MB03568739
Brand: Mitsubishi Materials USA
Model #: 568739
Product Specifications | |
---|---|
Cutting Diameter (DC) | 6 mm |
Corner Radius (RE) | 1.5 mm |
Connection Diameter Machine Side (DCONMS) | 8 mm |
Neck Diameter (DN) | 5.85 mm |
Depth of Cut Maximum (APMX) | 9 mm |
Body Half Taper Angle (BHTA) | 0.9 Degrees |
Overall Length (OAL) | 110 mm |
Peripheral Effective Cutting Edge Count (ZEFP) | 4 |
Coating | VF |
Length Group | Taper Neck |
End Shape | Corner Radius |
Measurement Type | Metric |
Usable Length (LU) | 12 mm |
Series/List # | VFHVRB_TAPER_NECK |
2% Off All Online Orders
Use Code: 2%OFF
Best Price Guarantee - Email Us A Better Published Price and We'll Beat It