
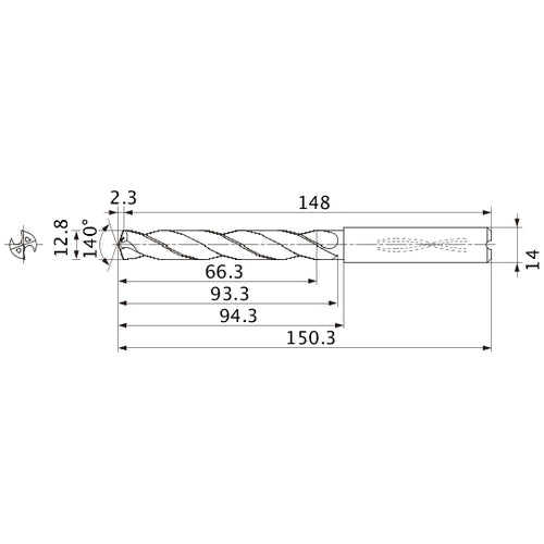
MMS1280X5DB DP7020 12.8 mm Dia. × 14 mm Shank × 93.3 mm Flute Length × 150.3 mm OAL, 140°, 2 Flute, Coolant Thru, Solid Carbide Drill
Item #: MB03556017
Brand: Mitsubishi Materials USA
Model #: 556017
Product Specifications | |
---|---|
Drill Bit Size / Cutting Diameter (DC) | 12.8 mm |
Flute Helix Angle (FHA) | 30 Degrees |
Drill Bit Size / Cutting Diameter (DC) - Metric | 12.8 mm |
Cutting Edge Material | Carbide |
Length Group | 5xD |
Grade | DP7020 |
Applicable Material | Cast Iron |
Measurement Type | Metric |
Connection Diameter Machine Side (DCONMS) | 14 mm |
Series/List # | MMS |
Head Length (LH) | 94.3 mm |
Usable Length (LU) | 66.3 mm |
Coolant Supply Property (CSP) | Coolant Thru |
Length Chip Flute (LCF) | 93.3 mm |
Point Angle (SIG) | 140 Degrees |
Overall Length (OAL) | 150.3 mm |
Point Length (PL) | 2.3 mm |
Flute Count (NOF) | 2 |
Functional Length (LF) | 148 mm |
Feature | New grade DP7020 and a unique margin, developed specifically for stainless steel, complement high flow coolant holes.,Long drill life and high efficiency drilling of holes in stainless steel. |
2% Off All Online Orders
Use Code: 2%OFF
Best Price Guarantee - Email Us A Better Published Price and We'll Beat It