
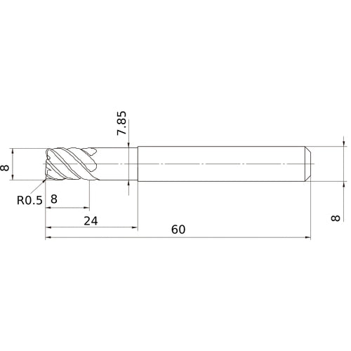
VFSDRBD0800R050 SOLID CARBIDE EM
Item #: MB03495120
Brand: Mitsubishi Materials USA
Model #: 495120
Product Specifications | |
---|---|
Cutting Diameter (DC) | 8 mm |
Usable Length (LU) | 24 mm |
Connection Diameter Machine Side (DCONMS) | 8 mm |
Corner Radius (RE) | 0.5 mm |
Depth of Cut Maximum (APMX) | 8 mm |
Neck Diameter (DN) | 7.85 mm |
Overall Length (OAL) | 60 mm |
Peripheral Effective Cutting Edge Count (ZEFP) | 6 |
Coating | VF |
Length Group | Short |
Flute Count (NOF) | 6 |
Measurement Type | Metric |
Flute Helix Angle (FHA) | 45 Degrees |
Series/List # | VFSDRB |
End Shape | Corner Radius |
2% Off All Online Orders
Use Code: 2%OFF
Best Price Guarantee - Email Us A Better Published Price and We'll Beat It