
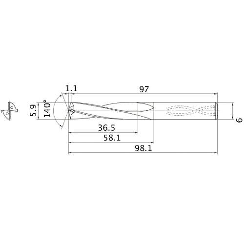
MAS0590LB HTI10 5.9 mm Dia. × 6 mm Shank × 58.1 mm Flute Length × 98.1 mm OAL, 140°, 2 Flute, Coolant Thru, Solid Carbide Drill
Item #: MB03488333
Brand: Mitsubishi Materials USA
Model #: 488333
Product Specifications | |
---|---|
Drill Bit Size / Cutting Diameter (DC) | 5.9 mm |
Cutting Edge Material | Carbide |
Drill Bit Size / Cutting Diameter (DC) - Metric | 5.9 mm |
Grade | HTi10 |
Length Group | 6xD |
Measurement Type | Metric |
Applicable Material | Cast Iron | Aluminum / Non-Ferrous Materials |
Series/List # | MAE_MAS |
Connection Diameter Machine Side (DCONMS) | 6 mm |
Usable Length (LU) | 36.5 mm |
Coolant Supply Property (CSP) | Coolant Thru |
Length Chip Flute (LCF) | 58.1 mm |
Point Angle (SIG) | 140 Degrees |
Overall Length (OAL) | 98.1 mm |
Point Length (PL) | 1.1 mm |
Flute Count (NOF) | 2 |
Functional Length (LF) | 97 mm |
Feature | Pre-hole drilling for rolled tap.,Helical through coolant hole enables high speed machining (MAS type).,Specialized in aluminum and cast iron drilling.,High hole accuracy. |
Flute Helix Angle (FHA) | 10 Degrees |
2% Off All Online Orders
Use Code: 2%OFF
Best Price Guarantee - Email Us A Better Published Price and We'll Beat It