
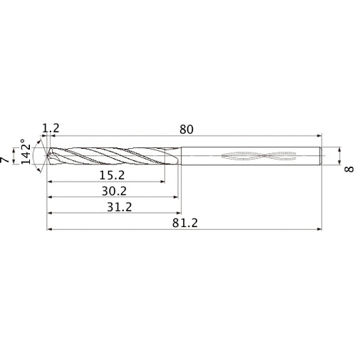
MHS0700L030B VP15TF 7 mm Dia. × 8 mm Shank × 30.2 mm Flute Length × 81.2 mm OAL, 142°, 2 Flute, Coolant Thru, Solid Carbide Drill
Item #: MB03478127
Brand: Mitsubishi Materials USA
Model #: 478127
Product Specifications | |
---|---|
Drill Bit Size / Cutting Diameter (DC) | 7 mm |
Flute Helix Angle (FHA) | 25 Degrees |
Drill Bit Size / Cutting Diameter (DC) - Metric | 7 mm |
Cutting Edge Material | Carbide |
Length Group | 2xD |
Grade | VP15TF |
Applicable Material | Steel | Stainless Steel | Cast Iron | Hard Materials | Super-Alloys / Titanium |
Measurement Type | Metric |
Connection Diameter Machine Side (DCONMS) | 8 mm |
Series/List # | MHS |
Head Length (LH) | 31.2 mm |
Usable Length (LU) | 15.2 mm |
Coolant Supply Property (CSP) | Coolant Thru |
Length Chip Flute (LCF) | 30.2 mm |
Point Angle (SIG) | 142 Degrees |
Overall Length (OAL) | 81.2 mm |
Point Length (PL) | 1.2 mm |
Flute Count (NOF) | 2 |
Functional Length (LF) | 80 mm |
Feature | High backling strength and unique double margin. |
2% Off All Online Orders
Use Code: 2%OFF
Best Price Guarantee - Email Us A Better Published Price and We'll Beat It