
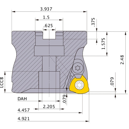
AJX14RA12507E FACE MILL
Item #: MB03417981
Brand: Mitsubishi Materials USA
Model #: 417981
Product Specifications | |
---|---|
Cutting Diameter (DC/DCX) | 4.457″ |
Ramping Angle Maximum (RMPX) | 0.8 Degrees |
Cutting Diameter (DC) | 4.457″ |
Cutting Direction (HAND) | Right Hand |
Cutting Diameter Maximum (DCX) | 4.921″ |
Measurement Type | Inch |
Depth of Cut Maximum (APMX) | 0.079″ |
Functional Length (LF) | 2.48″ |
Connection Diameter Machine Side (DCONMS) | 1-1/2″ |
Series/List # | AJX_INCH |
2% Off All Online Orders
Use Code: 2%OFF
Best Price Guarantee - Email Us A Better Published Price and We'll Beat It