
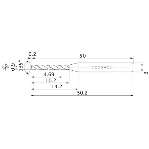
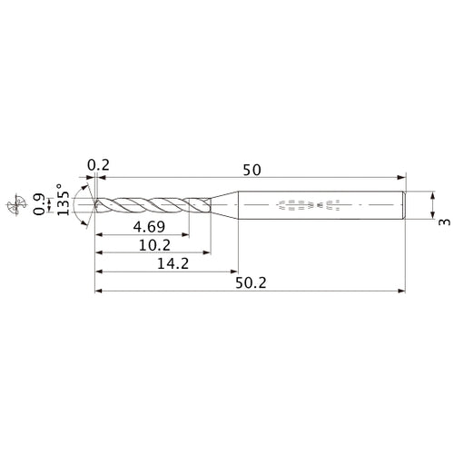
MWS0090LB VP15TF 0.9 mm Dia. × 3 mm Shank × 10.2 mm Flute Length × 50.2 mm OAL, 135°, 2 Flute, Coolant Thru, Solid Carbide Drill
Item #: MB03411230
Brand: Mitsubishi Materials USA
Model #: 411230
Product Specifications | |
---|---|
Drill Bit Size / Cutting Diameter (DC) | 0.9 mm |
Flute Helix Angle (FHA) | 25 Degrees |
Drill Bit Size / Cutting Diameter (DC) - Metric | 0.9 mm |
Cutting Edge Material | Carbide |
Length Group | 5xD |
Grade | VP15TF |
Applicable Material | Steel | Stainless Steel | Cast Iron | Hard Materials | Super-Alloys / Titanium |
Measurement Type | Metric |
Connection Diameter Machine Side (DCONMS) | 3 mm |
Series/List # | MWS |
Head Length (LH) | 14.2 mm |
Usable Length (LU) | 4.69 mm |
Coolant Supply Property (CSP) | Coolant Thru |
Length Chip Flute (LCF) | 10.2 mm |
Point Angle (SIG) | 135 Degrees |
Overall Length (OAL) | 50.2 mm |
Point Length (PL) | 0.2 mm |
Flute Count (NOF) | 2 |
Functional Length (LF) | 50 mm |
Feature | For high accuracy and efficient drilling of steels, carbon steels and difficult-to-cut materials. |
2% Off All Online Orders
Use Code: 2%OFF
Best Price Guarantee - Email Us A Better Published Price and We'll Beat It