
MAS0940MB CARB DRILL
Item #: MB03388332
Brand: Mitsubishi Materials USA
Model #: 388332
Product Specifications | |
---|---|
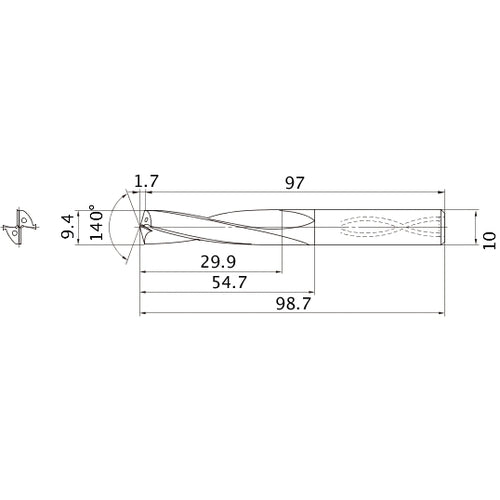
Drill Bit Size / Cutting Diameter (DC) | 9.4 mm |
Flute Helix Angle (FHA) | 10 Degrees |
Drill Bit Size / Cutting Diameter (DC) - Metric | 9.4 mm |
Cutting Edge Material | Carbide |
Length Group | 3xD |
Grade | HTi10 |
Applicable Material | Cast Iron | Aluminum / Non-Ferrous Materials |
Measurement Type | Metric |
Connection Diameter Machine Side (DCONMS) | 10 mm |
Series/List # | MAE_MAS |
Coolant Supply Property (CSP) | Coolant Thru |
Usable Length (LU) | 29.9 mm |
Point Angle (SIG) | 140 Degrees |
Length Chip Flute (LCF) | 54.7 mm |
Point Length (PL) | 1.7 mm |
Overall Length (OAL) | 98.7 mm |
Functional Length (LF) | 97 mm |
Flute Count (NOF) | 2 |
2% Off All Online Orders
Use Code: 2%OFF
Best Price Guarantee - Email Us A Better Published Price and We'll Beat It