
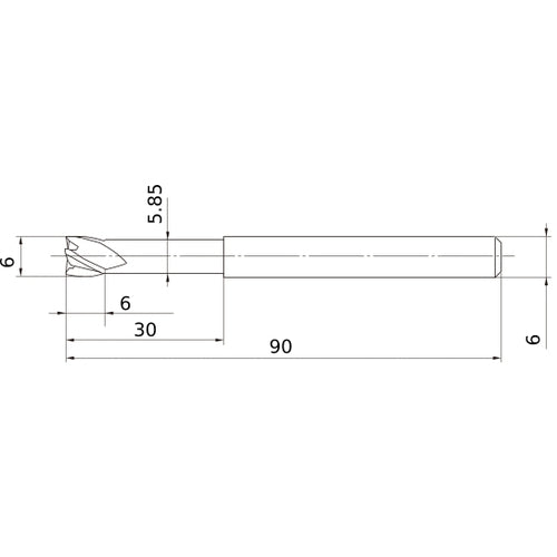
MS4XLD0600N300
Item #: MB03363936
Brand: Mitsubishi Materials USA
Model #: 363936
Product Specifications | |
---|---|
Cutting Diameter (DC) | 6 mm |
End Shape | Center Cutting |
Connection Diameter Machine Side (DCONMS) | 6 mm |
Usable Length (LU) | 30 mm |
Depth of Cut Maximum (APMX) | 6 mm |
Neck Diameter (DN) | 5.85 mm |
Overall Length (OAL) | 90 mm |
Peripheral Effective Cutting Edge Count (ZEFP) | 4 |
Coating | MS |
Length Group | Long - Necked |
Flute Count (NOF) | 4 |
Measurement Type | Metric |
Flute Helix Angle (FHA) | 30 Degrees |
Series/List # | MS4XL |
2% Off All Online Orders
Use Code: 2%OFF
Best Price Guarantee - Email Us A Better Published Price and We'll Beat It