We ship from multiple warehouses throughout the USA
to get you what you need as fast as possible!
Millions of items in stock!
Fast online checkout - No account required
Cart 0
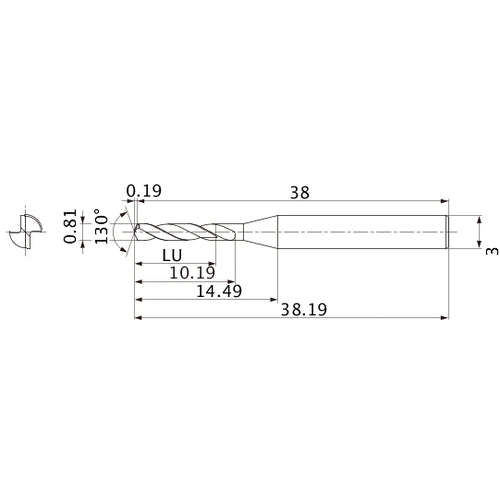
MSE0081SB VP15TF 0.81 mm Dia. × 3 mm Shank × 10.19 mm Flute Length × 38.19 mm OAL, 130°, 2 Flute, External Coolant, Solid Carbide Drill

MSE0081SB VP15TF 0.81 mm Dia. × 3 mm Shank × 10.19 mm Flute Length × 38.19 mm OAL, 130°, 2 Flute, External Coolant, Solid Carbide Drill


Item #: MB03350342
Brand: Mitsubishi Materials USA
Model #: 350342

Product Specifications
Drill Bit Size / Cutting Diameter (DC) 0.81 mm
Flute Helix Angle (FHA) 30 Degrees
Drill Bit Size / Cutting Diameter (DC) - Metric 0.81 mm
Cutting Edge Material Carbide
Applicable Material Steel | Stainless Steel | Cast Iron | Hard Materials | Super-Alloys / Titanium
Grade VP15TF
Connection Diameter Machine Side (DCONMS) 3 mm
Measurement Type Metric
Head Length (LH) 14.49 mm
Series/List # MSE
Coolant Supply Property (CSP) External
Length Chip Flute (LCF) 10.19 mm
Point Angle (SIG) 130 Degrees
Overall Length (OAL) 38.19 mm
Point Length (PL) 0.19 mm
Flute Count (NOF) 2
Functional Length (LF) 38 mm
Feature Wide flute for preventing chip jamming.,Stable, small diameter machining.
$43.83

2% Off All Online Orders
Use Code: 2%OFF

Best Price Guarantee - Email Us A Better Published Price and We'll Beat It