
MS2XLD1/32N0250 CARBIDE ENDMILL
Item #: MB03317219
Brand: Mitsubishi Materials USA
Model #: 317219
Product Specifications | |
---|---|
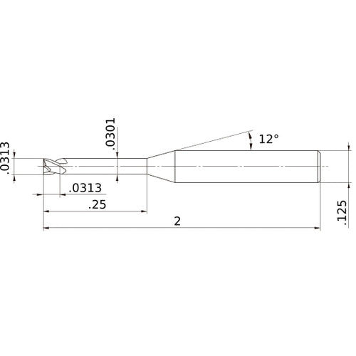
Cutting Diameter (DC) | 0.0313″ |
Usable Length (LU) | 1/4″ |
Connection Diameter Machine Side (DCONMS) | 1/8″ |
Neck Diameter (DN) | 0.0301″ |
Depth of Cut Maximum (APMX) | 0.0313″ |
Body Half Taper Angle (BHTA) | 12 Degrees |
Overall Length (OAL) | 2″ |
Peripheral Effective Cutting Edge Count (ZEFP) | 2 |
Coating | MS |
Length Group | Long - Necked |
Flute Count (NOF) | 2 |
Measurement Type | Inch |
Flute Helix Angle (FHA) | 30 Degrees |
Series/List # | MS2XL_INCH |
End Shape | Square |
2% Off All Online Orders
Use Code: 2%OFF
Best Price Guarantee - Email Us A Better Published Price and We'll Beat It