
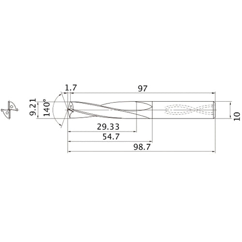
MAS0921MB HTi10 9.21 mm Dia. × 10 mm Shank × 54.7 mm Flute Length × 98.7 mm OAL, 140°, 2 Flute, Coolant Thru, Solid Carbide Drill
Item #: MB03238035
Brand: Mitsubishi Materials USA
Model #: 238035
Product Specifications | |
---|---|
Drill Bit Size / Cutting Diameter (DC) | 9.21 mm |
Cutting Edge Material | Carbide |
Drill Bit Size / Cutting Diameter (DC) - Metric | 9.21 mm |
Grade | HTi10 |
Length Group | 3xD |
Measurement Type | Metric |
Applicable Material | Cast Iron | Aluminum / Non-Ferrous Materials |
Series/List # | MAE_MAS |
Connection Diameter Machine Side (DCONMS) | 10 mm |
Usable Length (LU) | 29.33 mm |
Coolant Supply Property (CSP) | Coolant Thru |
Length Chip Flute (LCF) | 54.7 mm |
Point Angle (SIG) | 140 Degrees |
Overall Length (OAL) | 98.7 mm |
Point Length (PL) | 1.7 mm |
Flute Count (NOF) | 2 |
Functional Length (LF) | 97 mm |
Feature | Pre-hole drilling for rolled tap.,Helical through coolant hole enables high speed machining (MAS type).,Specialized in aluminum and cast iron drilling.,High hole accuracy. |
Flute Helix Angle (FHA) | 10 Degrees |
2% Off All Online Orders
Use Code: 2%OFF
Best Price Guarantee - Email Us A Better Published Price and We'll Beat It