
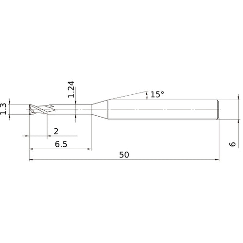
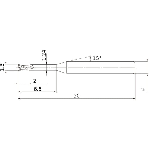
MS2XL6D0130N065 CARBIDE ENDMILL
Item #: MB03219168
Brand: Mitsubishi Materials USA
Model #: 219168
Product Specifications | |
---|---|
Cutting Diameter (DC) | 1.3 mm |
Usable Length (LU) | 6.5 mm |
Connection Diameter Machine Side (DCONMS) | 6 mm |
Neck Diameter (DN) | 1.24 mm |
Depth of Cut Maximum (APMX) | 2 mm |
Body Half Taper Angle (BHTA) | 15 Degrees |
Overall Length (OAL) | 50 mm |
Peripheral Effective Cutting Edge Count (ZEFP) | 2 |
Coating | MS |
Length Group | Long - Necked |
Flute Count (NOF) | 2 |
Measurement Type | Metric |
Flute Helix Angle (FHA) | 30 Degrees |
Series/List # | MS2XL6 |
End Shape | Square |
2% Off All Online Orders
Use Code: 2%OFF
Best Price Guarantee - Email Us A Better Published Price and We'll Beat It