
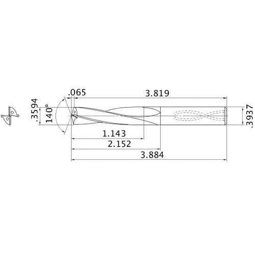
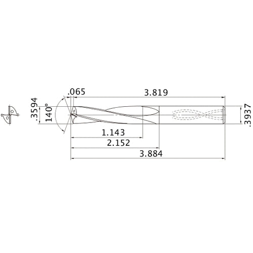
MAS03594MB HTi10 0.3594″ Dia. × 0.3937″ Shank × 2.152″ Flute Length × 3.884″ OAL, 140°, 2 Flute, Coolant Thru, Solid Carbide Drill
Item #: MB03214949
Brand: Mitsubishi Materials USA
Model #: 214949
Product Specifications | |
---|---|
Drill Bit Size / Cutting Diameter (DC) | 0.3594″ |
Cutting Edge Material | Carbide |
Drill Bit Size / Cutting Diameter (DC) - Inch | 0.3594″ |
Grade | HTi10 |
Length Group | 3xD |
Measurement Type | Inch |
Applicable Material | Cast Iron | Aluminum / Non-Ferrous Materials |
Series/List # | MAS_INCH |
Connection Diameter Machine Side (DCONMS) | 0.3937″ |
Usable Length (LU) | 1.143″ |
Coolant Supply Property (CSP) | Coolant Thru |
Length Chip Flute (LCF) | 2.152″ |
Point Angle (SIG) | 140 Degrees |
Overall Length (OAL) | 3.884″ |
Point Length (PL) | 0.065″ |
Flute Count (NOF) | 2 |
Functional Length (LF) | 3.819″ |
Feature | High hole accuracy.,Pre-hole drilling for rolled tap. |
Flute Helix Angle (FHA) | 10 Degrees |
2% Off All Online Orders
Use Code: 2%OFF
Best Price Guarantee - Email Us A Better Published Price and We'll Beat It