
ASX400R1022M FACE MILL
Item #: MB03198820
Brand: Mitsubishi Materials USA
Model #: 198820
Product Specifications | |
---|---|
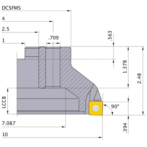
Cutting Diameter (DC/DCX) | 10″ |
Measurement Type | Inch |
Cutting Diameter (DC) | 10″ |
Functional Length (LF) | 2.48″ |
Depth of Cut Maximum (APMX) | 0.394″ |
Tool Cutting Edge Angle (KAPR) | 90 Degrees |
Connection Diameter Machine Side (DCONMS) | 2-1/2″ |
Series/List # | ASX400_INCH |
Cutting Direction (HAND) | Right Hand |
2% Off All Online Orders
Use Code: 2%OFF
Best Price Guarantee - Email Us A Better Published Price and We'll Beat It