
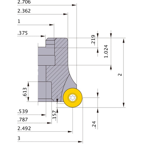
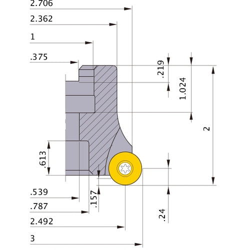
BRP6UPR0306C FACE MILL
Item #: MB03126720
Brand: Mitsubishi Materials USA
Model #: 126720
Product Specifications | |
---|---|
Cutting Diameter (DC/DCX) | 2.492″ |
Cutting Direction (HAND) | Right Hand |
Cutting Diameter (DC) | 2.492″ |
Measurement Type | Inch |
Cutting Diameter Maximum (DCX) | 3″ |
Functional Length (LF) | 2″ |
Depth of Cut Maximum (APMX) | 0.24″ |
Series/List # | BRP_INCH |
Connection Diameter Machine Side (DCONMS) | 1″ |
2% Off All Online Orders
Use Code: 2%OFF
Best Price Guarantee - Email Us A Better Published Price and We'll Beat It