
AHX440SUR0306CA FACE MILL
Item #: MB0310537091
Brand: Mitsubishi Materials USA
Model #: 10537091
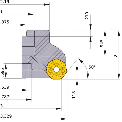
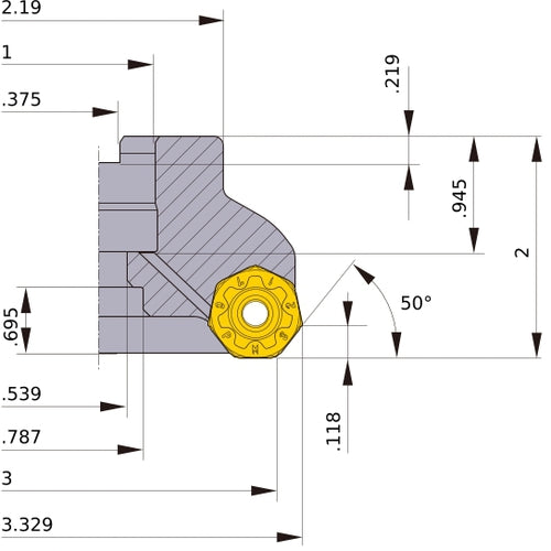
Product Specifications | |
---|---|
Cutting Diameter (DC/DCX) | 3″ |
Cutting Direction (HAND) | Right Hand |
Cutting Diameter (DC) | 3″ |
Measurement Type | Inch |
Cutting Diameter Maximum (DCX) | 3.329″ |
Functional Length (LF) | 2″ |
Depth of Cut Maximum (APMX) | 0.118″ |
Tool Cutting Edge Angle (KAPR) | 50 Degrees |
Connection Diameter Machine Side (DCONMS) | 1″ |
Series/List # | AHX440S_INCH |
2% Off All Online Orders
Use Code: 2%OFF
Best Price Guarantee - Email Us A Better Published Price and We'll Beat It