
AHX440S-050A05AR MILL
Item #: MB0310536766
Brand: Mitsubishi Materials USA
Model #: 10536766
Product Specifications | |
---|---|
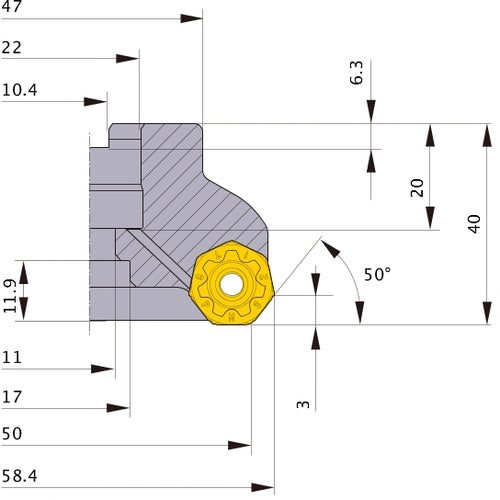
Cutting Diameter (DC/DCX) | 50 mm |
Cutting Direction (HAND) | Right Hand |
Cutting Diameter (DC) | 50 mm |
Measurement Type | Metric |
Cutting Diameter Maximum (DCX) | 58.4 mm |
Functional Length (LF) | 40 mm |
Depth of Cut Maximum (APMX) | 3 mm |
Tool Cutting Edge Angle (KAPR) | 50 Degrees |
Connection Diameter Machine Side (DCONMS) | 22 mm |
Series/List # | AHX440S_MM |
2% Off All Online Orders
Use Code: 2%OFF
Best Price Guarantee - Email Us A Better Published Price and We'll Beat It