
IMX20CH6V0750A45 EP7020 SOLID EM
Item #: MB0310528204
Brand: Mitsubishi Materials USA
Model #: 10528204
Product Specifications | |
---|---|
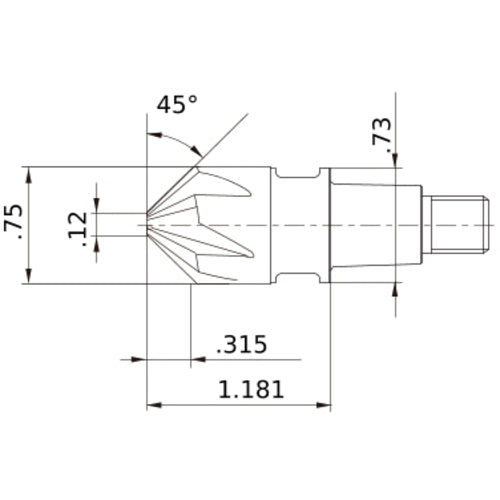
Cutting Diameter (DC) | 3/4″ |
Head Length (LH) | 1.181″ |
Connection Diameter Machine Side (DCONMS) | 0.73″ |
Peripheral Effective Cutting Edge Count (ZEFP) | 6 |
Depth of Cut Maximum (APMX) | 0.315″ |
Decimal Equivalent | 0.75″ |
Cutting Edge Material | Carbide |
Measurement Type | Inch |
End Shape | Chamfer |
Series/List # | iMX_CH6V_INCH |
Applicable Material | Steel | Stainless Steel | Super-Alloys / Titanium | Aluminum / Non-Ferrous Materials |
Tool Cutting Edge Angle (KAPR) | 45 Degrees |
Grade | EP7020 |
2% Off All Online Orders
Use Code: 2%OFF
Best Price Guarantee - Email Us A Better Published Price and We'll Beat It