We ship from multiple warehouses throughout the USA
to get you what you need as fast as possible!
Millions of items in stock!
Fast online checkout - No account required
Cart 0
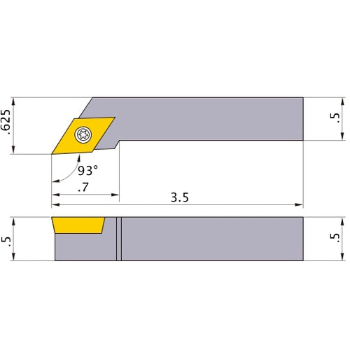
SDJCR-083 TURNING HOLDER

SDJCR-083 TURNING HOLDER


Item #: MB03104591
Brand: Mitsubishi Materials USA
Model #: 104591

Product Specifications
Shank Height (H) 1/2″
Cutting Direction (HAND) Right Hand
Shank Width (B) 1/2″
Master Insert Identification (MIID) DC__32.5
Overall Length (OAL) 3 1/2″
Clamping System Screw-On
Functional Length (LF) ‎3-1/2″
Tool Type Turning Tool Holder
Head Length (LH) 0.7″
Measurement Type Inch
Functional Width (WF) 5/8″
Series/List # SDJC_INCH
$169.58

2% Off All Online Orders
Use Code: 2%OFF

Best Price Guarantee - Email Us A Better Published Price and We'll Beat It