
18mm HSK63A Shrink Fit Toolholder - 100mm Gauge Length
Item #: GM306318M100
Manufacturer: Briney
Mfg #: HSK63ASF-1
Technical Specifications:
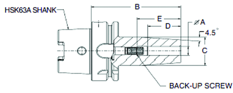
*Bearing Surface: 31.75mm *Bore Diameter: 18mm *Brand Name: Briney *Gage Length: 100mm *Outside Diameter: 34.93mm *Shank: HSK63A *Standard: ANSI *Type: HSK Shrink Fit
Description:
Shipping Info:
*Actual Weight - 3.0000
2% Off All Online Orders
Use Code: 2%OFF
Best Price Guarantee - Email Us A Better Published Price and We'll Beat It