
12mm HSK63A Shrink Fit Toolholder - 90mm Gauge Length
Item #: GM306312M90
Manufacturer: Briney
Mfg #: HSK63ASF-1
Technical Specifications:
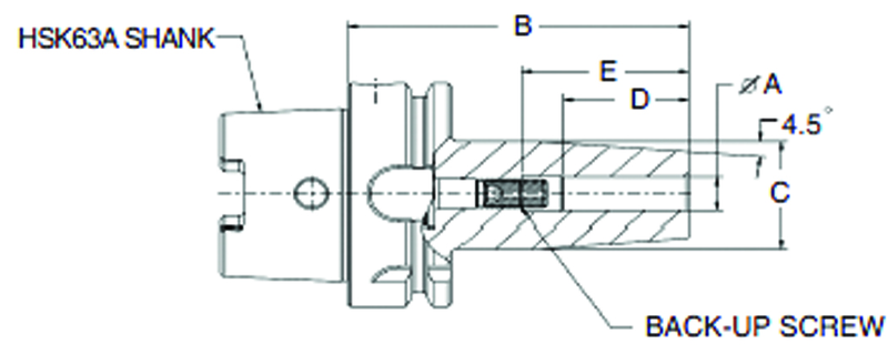
*Bearing Surface: 25.4mm *Bore Diameter: 12mm *Brand Name: Briney *Gage Length: 90mm *Outside Diameter: 31.75mm *Shank: HSK63A *Standard: ANSI *Type: HSK Shrink Fit
Description:
Shipping Info:
*Actual Weight - 2.5000
2% Off All Online Orders
Use Code: 2%OFF
Best Price Guarantee - Email Us A Better Published Price and We'll Beat It