
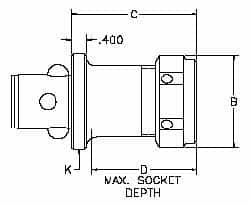
Parlec - PC4 Modular Connection 3/4" Hole End Mill Holder/Adapter - 1-3/4" Nose Diam, 3-1/8" Projection, Through-Spindle Coolant
Item #: 01848571
Brand: Parlec
Model #: PC4-75EM3
Exact Tooling IR#: 04
Product Specifications | |
---|---|
Shank Type | Modular Connection |
Modular Connection Size | PC4 |
Hole Diameter (Inch) | 3/4 |
Nose Diameter (Inch) | 1-3/4 |
Projection (Inch) | 3-1/8 |
Projection (Decimal Inch) | 3.1250 |
Through Coolant | Yes |
Clamping Depth (Decimal Inch) | 2.0000 |
TIR (Decimal Inch) | 0.0002 |
Coolant Type | Through-Spindle |
2% Off All Online Orders
Use Code: 2%OFF
Best Price Guarantee - Email Us A Better Published Price and We'll Beat It