
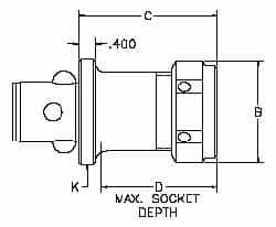
Parlec - PC4 Modular Connection 1/2" Hole End Mill Holder/Adapter - 1-1/4" Nose Diam, 3-1/8" Projection, Through-Spindle Coolant
Item #: 01848563
Brand: Parlec
Model #: PC4-50EM3
Exact Tooling IR#: 04
Product Specifications | |
---|---|
Shank Type | Modular Connection |
Modular Connection Size | PC4 |
Hole Diameter (Inch) | 1/2 |
Nose Diameter (Inch) | 1-1/4 |
Projection (Inch) | 3-1/8 |
Projection (Decimal Inch) | 3.1250 |
Through Coolant | Yes |
Clamping Depth (Decimal Inch) | 1.7500 |
TIR (Decimal Inch) | 0.0002 |
Coolant Type | Through-Spindle |
2% Off All Online Orders
Use Code: 2%OFF
Best Price Guarantee - Email Us A Better Published Price and We'll Beat It