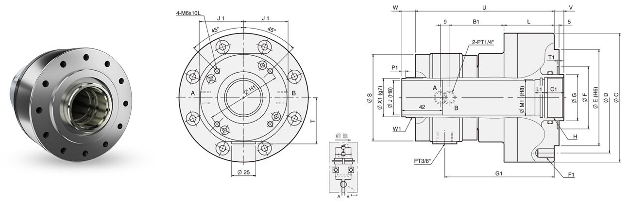
MM Hydraulic Cylinder

- Compact hydraulic cylinder design with light weight can reduce the spindle loading while running in high speed.
- Built-in check valve in safety auto lock and pressure relief valve in case of power failure occur.
- New model developed for rear installation.
| Piston Dia. (mm) |
Piston Area (cm²) |
Max. Draw Bar Force kN(kgf) |
Piston Stroke (mm) |
Max. Operating Pressure MPa(kgf / cm² |
Max. Speed (r.p.m.) |
Moment Of Inertia I (kg.m²) |
Weight (kg) |
Total Leakage L/min |
SPEC Part Number | Price Each | ||
| Push Side | Pull Side | Push Side | Pull Side | |||||||||
| 36 | 64 | 60 | 23.8(2427) | 22.3(2274) | 5 | 4.0(40.8) | 8000 | 0.013 | 7 | 0.8 | MM1036A | Call or Email |
| 46 | 100 | 89 | 38(3875) | 33(3365) | 15 | 4.0(40.8) | 7000 | 0.026 | 9.8 | 3.0 | MM1246A | Call or Email |
| C | D | E | F | G | H | J | L | T | U | V max. |
V min. |
W max. |
W min. |
B1 | C1 | F1 | G1 | H1 | J1 | L1 | M1 | !1 | T1 | W1 | P1 | X1 | DIM Part Number | Price Each |
| 134 | 115 | 100 | 65 | 48 | M42x1.5 | 36 | 52 | 48 | 144 | 10 | 5 | 17 | 12 | 57 | 20 | 6-M10x15 | 113.5 | 76 | 46 | 10 | 38 | M4x9L | 2 | M42xP1.5 | 2 | 40 | MM1036A | Call or Email |
| 155 | 130 | 100 | 80 | 65 | M55x2.0 | 46 | 76 | 61 | 179 | 15 | 0 | 40 | 25 | 59.5 | 30 | 12-M10x20 | 140 | 98 | 59 | 15 | 50 | M5x10L | 6 | M52xP1.5 | 9 | 50 | MM1246A | Call or Email |