DR Special Purpose Power Chucks

Draw down power chuck feature of radial clamping will lead to almost no work piece uplifting displacement; for machining casting and forging part:
- For the clampped work-piece is appressed to the surtace, chucks are suitable for heavy machining.
- Chuck Actutors with cylindrical structure are durable and ensures high clamping repeatability.
- Accurate self-centering and pull back features are adequate or precise length control machining requirements.
| Plunger Stroke (mm) |
Jaw Stroke (In Dia.) (mm) |
Max. Pull Force kN(kgf) |
Max. Gripping Force kN(kgf) |
Max. Operating Pressure MPa(kgf / cm²) |
Max. Speed (r.p.m.) |
Weight (kg) |
Moment Of Inertia I (kg.m²) |
Matching Cylinder |
Matching Soft Jaw |
Gripping Range O.D. Range / I.D. Range |
SPEC Part Number | Price Each |
| 10 | 7.2 | 15(1530) | 25(2549) | 2.1(21.4) | 3500 | 15 | 0.05 | MS105C | DR06-HC | Ø35-Ø165 | DR-06 | Call or Email |
| 10 | 7.2 | 25(2590) | 45(4589) | 2.5(25.5) | 3000 | 25 | 0.14 | MS125C | DR08-HC | Ø40-Ø210 | DR-08 | Call or Email |
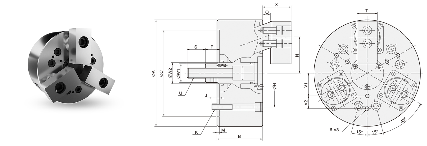
| A | B | C | H | J | K | M | N max. |
N min. |
P max. |
P min. |
Q max. |
Q min. |
S | T | U | W1 | W2 | X max. |
X min. |
V1 | V2 | V3 | DIM Part Number | Price Each |
| 165 | 85 | 140 | 104.78 | 16 | 6xM10 | 5 | 58 | 54.4 | 33 | 23 | 14 | 4 | 36 | 35 | M16x2.0 | 32 | 33.5 | 45 | 35 | 35 | 20 | M6x12 | DR-06 | Call or Email |
| 210 | 90 | 170 | 133.35 | 15 | 6xM12 | 5 | 71.3 | 67.7 | 38 | 28 | 15 | 5 | 36 | 40 | M20x2.5 | 37 | 42 | 56 | 46 | 45 | 25 | M8x16 | DR-08 | Call or Email |