ET02 2023 New Products For Sale | Benchmark Tooling - (25001 Products)
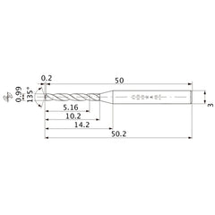
MWS0099LB VP15TF 0.99 mm Dia. × 3 mm Shank × 10.2 mm Flute Length × 50.2 mm OAL, 135°, 2 Flute, Coolant Thru, Solid Carbide Drill
Item #: MB03411328
Brand: Mitsubishi Materials USA
Model #: 411328
| Product Specifications | |
|---|---|
| Drill Bit Size / Cutting Diameter (DC) | 0.99 mm |
| Flute Helix Angle (FHA) | 25 Degrees |
| Drill Bit Size / Cutting Diameter (DC) - Metric | 0.99 mm |
| Cutting Edge Material | Carbide |
| Length Group | 5xD |
| Grade | VP15TF |
| Applicable Material | Steel | Stainless Steel | Cast Iron | Hard Materials | Super-Alloys / Titanium |
| Measurement Type | Metric |
| Connection Diameter Machine Side (DCONMS) | 3 mm |
| Series/List # | MWS |
| Head Length (LH) | 14.2 mm |
| Usable Length (LU) | 5.16 mm |
| Coolant Supply Property (CSP) | Coolant Thru |
| Length Chip Flute (LCF) | 10.2 mm |
| Point Angle (SIG) | 135 Degrees |
| Overall Length (OAL) | 50.2 mm |
| Point Length (PL) | 0.2 mm |
| Flute Count (NOF) | 2 |
| Functional Length (LF) | 50 mm |
| Feature | For high accuracy and efficient drilling of steels, carbon steels and difficult-to-cut materials. |
2% Off All Online Orders
Use Code: 2%OFF
Best Price Guarantee - Email Us A Better Published Price and We'll Beat It
0.1299 mm Dia. × 6 mm Shank × 28 mm Flute Length × 66 mm OAL, 5xD, 140°, Varianta Supral, 2 Flute, Coolant Thru, h6, Cylindrical, Solid Carbide Drill
Item #: CW8110262
Brand: Precision Cutting Tools
Model #: 9544639
| Product Specifications | |
|---|---|
| Drill Bit Size / Cutting Diameter (DC) | 0.1299 mm |
| Shape | Round |
| Decimal Equivalent | 0.0051″ |
| Cutting Edge Material | Carbide |
| Length Group | 5xD |
| Tool Type | Solid Carbide Drill |
| Coating | Varianta Supral |
| Flute Type | Helical |
| Applicable Material | Steel | Stainless Steel |
| Grade | H5009 |
| Connection Diameter Machine Side (DCONMS) | 6 mm |
| Measurement Type | Metric |
| Coolant Supply Property (CSP) | Coolant Thru |
| Series/List # | DXC |
| Point Angle (SIG) | 140 Degrees |
| Usable Length (LU) | 0.9075 mm |
| Flute Helix Angle (FHA) | 30 Degrees |
| Length Chip Flute (LCF) | 28 mm |
| Number of Teeth | 2 |
| Overall Length (OAL) | 66 mm |
| Shank Length (LS) | 1.496 mm |
| Flute Count (NOF) | 2 |
| Shank Type | Cylindrical |
| Feature | DOUBLE-MARGIN DRILL, COOLANT THRU |
| Shank Standard | h6 |
| Cutting Direction (HAND) | Right Hand |
2% Off All Online Orders
Use Code: 2%OFF
Best Price Guarantee - Email Us A Better Published Price and We'll Beat It
0.1378 mm Dia. × 6 mm Shank × 28 mm Flute Length × 66 mm OAL, 5xD, 140°, Sistral, 2 Flute, Coolant Thru, h6, Cylindrical, Solid Carbide Drill
Item #: CW8110720
Brand: Precision Cutting Tools
Model #: 9549247
| Product Specifications | |
|---|---|
| Drill Bit Size / Cutting Diameter (DC) | 0.1378 mm |
| Shape | Round |
| Decimal Equivalent | 0.0054″ |
| Cutting Edge Material | Carbide |
| Length Group | 5xD |
| Tool Type | Solid Carbide Drill |
| Coating | Sistral |
| Flute Type | Helical |
| Applicable Material | Stainless Steel | Hard Materials |
| Grade | H5007 |
| Connection Diameter Machine Side (DCONMS) | 6 mm |
| Measurement Type | Metric |
| Coolant Supply Property (CSP) | Coolant Thru |
| Series/List # | HXC |
| Point Angle (SIG) | 140 Degrees |
| Usable Length (LU) | 0.8957 mm |
| Flute Helix Angle (FHA) | 30 Degrees |
| Length Chip Flute (LCF) | 28 mm |
| Number of Teeth | 2 |
| Overall Length (OAL) | 66 mm |
| Shank Length (LS) | 1.496 mm |
| Flute Count (NOF) | 2 |
| Shank Type | Cylindrical |
| Feature | SINGLE MARGIN DRILL, COOLANT THRU, HARD MATERIALS |
| Shank Standard | h6 |
| Cutting Direction (HAND) | Right Hand |
2% Off All Online Orders
Use Code: 2%OFF
Best Price Guarantee - Email Us A Better Published Price and We'll Beat It
0.122 mm Dia. × 6 mm Shank × 28 mm Flute Length × 66 mm OAL, 5xD, 140°, Sistral, 2 Flute, Coolant Thru, h6, Cylindrical, Solid Carbide Drill
Item #: CW8110715
Brand: Precision Cutting Tools
Model #: 9549242
| Product Specifications | |
|---|---|
| Drill Bit Size / Cutting Diameter (DC) | 0.122 mm |
| Shape | Round |
| Decimal Equivalent | 0.0048″ |
| Cutting Edge Material | Carbide |
| Length Group | 5xD |
| Tool Type | Solid Carbide Drill |
| Coating | Sistral |
| Flute Type | Helical |
| Applicable Material | Stainless Steel | Hard Materials |
| Grade | H5007 |
| Connection Diameter Machine Side (DCONMS) | 6 mm |
| Measurement Type | Metric |
| Coolant Supply Property (CSP) | Coolant Thru |
| Series/List # | HXC |
| Point Angle (SIG) | 140 Degrees |
| Usable Length (LU) | 0.9194 mm |
| Flute Helix Angle (FHA) | 30 Degrees |
| Length Chip Flute (LCF) | 28 mm |
| Number of Teeth | 2 |
| Overall Length (OAL) | 66 mm |
| Shank Length (LS) | 1.496 mm |
| Flute Count (NOF) | 2 |
| Shank Type | Cylindrical |
| Feature | SINGLE MARGIN DRILL, COOLANT THRU, HARD MATERIALS |
| Shank Standard | h6 |
| Cutting Direction (HAND) | Right Hand |
2% Off All Online Orders
Use Code: 2%OFF
Best Price Guarantee - Email Us A Better Published Price and We'll Beat It
DC160-05-03.175A1-WJ30ET
Item #: TT107377409
Brand: Walter-Titex
Model #: 7377409
| Product Specifications | |
|---|---|
| Drill Bit Size / Cutting Diameter (DC) | 1/8″ |
| Shank Type | Cylindrical |
| Drill Bit Size / Cutting Diameter (DC) - Inch | 1/8″ |
| Cutting Edge Material | Carbide |
| Decimal Equivalent | 0.125″ |
| Flute Type | Spiral |
| Length Group | 5xD |
| Measurement Type | Inch |
| Coating | TiSiAlCrN / TiAlN |
| Series/List # | DC160 |
| Connection Diameter Machine Side (DCONMS) | 0.236″ |
| Overall Length (OAL) | 1.417″ |
| Coolant Supply Property (CSP) | Coolant Thru |
| Flute Count (NOF) | 2 |
| Point Angle (SIG) | 140 Degrees |
| Cutting Direction (HAND) | Right Hand |
| Functional Length (LF) | 1.102″ |
2% Off All Online Orders
Use Code: 2%OFF
Best Price Guarantee - Email Us A Better Published Price and We'll Beat It
5/8X1X3-1/2 Carbide 82 Degree NC Spotting Drill
Item #: AV41956000156
Brand: Keo
Model #: 956-000-156
| Product Specifications | |
|---|---|
| Drill Bit Size / Cutting Diameter (DC) | 5/8″ |
| Coating | Bright |
| Decimal Equivalent | 0.625″ |
| Cutting Edge Material | Carbide |
| Point Angle (SIG) | 82 Degrees |
| Flute Length | 1″ |
| Angle | 82 Degrees |
| Size | 5/8″ |
| Overall Length (OAL) | 3-1/2″ |
| Measurement Type | Fractional |
| Connection Diameter Machine Side (DCONMS) | 5/8″ |
| Tool Type | NC Spotting Drill |
| Shank Type | Round |
| Cutting Length | 1″ |
2% Off All Online Orders
Use Code: 2%OFF
Best Price Guarantee - Email Us A Better Published Price and We'll Beat It
DC160-05-03.650A1-WJ30ET
Item #: TT107377423
Brand: Walter-Titex
Model #: 7377423
| Product Specifications | |
|---|---|
| Drill Bit Size / Cutting Diameter (DC) | 0.1437″ |
| Shank Type | Cylindrical |
| Decimal Equivalent | 0.1437″ |
| Cutting Edge Material | Carbide |
| Length Group | 5xD |
| Flute Type | Spiral |
| Coating | TiSiAlCrN / TiAlN |
| Measurement Type | Inch |
| Connection Diameter Machine Side (DCONMS) | 0.236″ |
| Series/List # | DC160 |
| Coolant Supply Property (CSP) | Coolant Thru |
| Overall Length (OAL) | 1.417″ |
| Point Angle (SIG) | 140 Degrees |
| Flute Count (NOF) | 2 |
| Functional Length (LF) | 1.102″ |
| Cutting Direction (HAND) | Right Hand |
2% Off All Online Orders
Use Code: 2%OFF
Best Price Guarantee - Email Us A Better Published Price and We'll Beat It
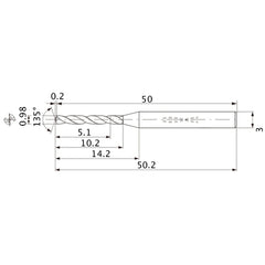
DC160-05-05.100A1-WJ30ET
Item #: TT107377458
Brand: Walter-Titex
Model #: 7377458
| Product Specifications | |
|---|---|
| Drill Bit Size / Cutting Diameter (DC) | 5.1 mm |
| Functional Length (LF) | 44 mm |
| Decimal Equivalent | 0.2008″ |
| Shank Type | Cylindrical |
| Drill Bit Size / Cutting Diameter (DC) - Metric | 5.1 mm |
| Cutting Edge Material | Carbide |
| Length Group | 5xD |
| Flute Type | Spiral |
| Coating | TiSiAlCrN / TiAlN |
| Measurement Type | Metric |
| Connection Diameter Machine Side (DCONMS) | 6 mm |
| Overall Length (OAL) | 36 mm |
| Coolant Supply Property (CSP) | Coolant Thru |
| Flute Count (NOF) | 2 |
| Point Angle (SIG) | 140 Degrees |
| Cutting Direction (HAND) | Right Hand |
2% Off All Online Orders
Use Code: 2%OFF
Best Price Guarantee - Email Us A Better Published Price and We'll Beat It
DC160-05-05.159A1 WJ30EU
Item #: TT097377460
Brand: Walter-Titex
Model #: 7377460
| Product Specifications | |
|---|---|
| Drill Bit Size / Cutting Diameter (DC) | 0.2031″ |
| Shank Type | Cylindrical |
| Drill Bit Size / Cutting Diameter (DC) - Inch | 13/64″ |
| Cutting Edge Material | Carbide |
| Decimal Equivalent | 0.2031″ |
| Flute Type | Spiral |
| Length Group | 5xD |
| Measurement Type | Inch |
| Coating | TiSiAlCrN / TiAlN |
| Series/List # | DC160 |
| Connection Diameter Machine Side (DCONMS) | 0.236″ |
| Overall Length (OAL) | 1.417″ |
| Coolant Supply Property (CSP) | Coolant Thru |
| Flute Count (NOF) | 2 |
| Point Angle (SIG) | 140 Degrees |
| Cutting Direction (HAND) | Right Hand |
| Functional Length (LF) | 1.732″ |
2% Off All Online Orders
Use Code: 2%OFF
Best Price Guarantee - Email Us A Better Published Price and We'll Beat It
DC160-05-03.100A1-WJ30ET
Item #: TT097377407
Brand: Walter-Titex
Model #: 7377407
| Product Specifications | |
|---|---|
| Drill Bit Size / Cutting Diameter (DC) | 3.1 mm |
| Functional Length (LF) | 28 mm |
| Decimal Equivalent | 0.122″ |
| Shank Type | Cylindrical |
| Drill Bit Size / Cutting Diameter (DC) - Metric | 3.1 mm |
| Cutting Edge Material | Carbide |
| Length Group | 5xD |
| Flute Type | Spiral |
| Coating | TiSiAlCrN / TiAlN |
| Measurement Type | Metric |
| Connection Diameter Machine Side (DCONMS) | 6 mm |
| Overall Length (OAL) | 36 mm |
| Coolant Supply Property (CSP) | Coolant Thru |
| Flute Count (NOF) | 2 |
| Point Angle (SIG) | 140 Degrees |
| Cutting Direction (HAND) | Right Hand |
2% Off All Online Orders
Use Code: 2%OFF
Best Price Guarantee - Email Us A Better Published Price and We'll Beat It
DC160-05-03.250A1-WJ30ET
Item #: TT097377412
Brand: Walter-Titex
Model #: 7377412
| Product Specifications | |
|---|---|
| Drill Bit Size / Cutting Diameter (DC) | 3.25 mm |
| Functional Length (LF) | 28 mm |
| Decimal Equivalent | 0.128″ |
| Shank Type | Cylindrical |
| Drill Bit Size / Cutting Diameter (DC) - Metric | 3.25 mm |
| Cutting Edge Material | Carbide |
| Length Group | 5xD |
| Flute Type | Spiral |
| Coating | TiSiAlCrN / TiAlN |
| Measurement Type | Metric |
| Connection Diameter Machine Side (DCONMS) | 6 mm |
| Overall Length (OAL) | 36 mm |
| Coolant Supply Property (CSP) | Coolant Thru |
| Flute Count (NOF) | 2 |
| Point Angle (SIG) | 140 Degrees |
| Cutting Direction (HAND) | Right Hand |
2% Off All Online Orders
Use Code: 2%OFF
Best Price Guarantee - Email Us A Better Published Price and We'll Beat It
DC160-05-03.969A1-WJ30ET
Item #: TT097377431
Brand: Walter-Titex
Model #: 7377431
| Product Specifications | |
|---|---|
| Drill Bit Size / Cutting Diameter (DC) | 0.1563″ |
| Shank Type | Cylindrical |
| Drill Bit Size / Cutting Diameter (DC) - Inch | 5/32″ |
| Cutting Edge Material | Carbide |
| Decimal Equivalent | 0.1563″ |
| Flute Type | Spiral |
| Length Group | 5xD |
| Measurement Type | Inch |
| Coating | TiSiAlCrN / TiAlN |
| Series/List # | DC160 |
| Connection Diameter Machine Side (DCONMS) | 0.236″ |
| Overall Length (OAL) | 1.417″ |
| Coolant Supply Property (CSP) | Coolant Thru |
| Flute Count (NOF) | 2 |
| Point Angle (SIG) | 140 Degrees |
| Cutting Direction (HAND) | Right Hand |
| Functional Length (LF) | 1.417″ |
2% Off All Online Orders
Use Code: 2%OFF
Best Price Guarantee - Email Us A Better Published Price and We'll Beat It
DC160-05-04.000A1-WJ30ET
Item #: TT097377432
Brand: Walter-Titex
Model #: 7377432
| Product Specifications | |
|---|---|
| Drill Bit Size / Cutting Diameter (DC) | 4 mm |
| Functional Length (LF) | 36 mm |
| Decimal Equivalent | 0.1575″ |
| Shank Type | Cylindrical |
| Drill Bit Size / Cutting Diameter (DC) - Metric | 4 mm |
| Cutting Edge Material | Carbide |
| Length Group | 5xD |
| Flute Type | Spiral |
| Coating | TiSiAlCrN / TiAlN |
| Measurement Type | Metric |
| Connection Diameter Machine Side (DCONMS) | 6 mm |
| Overall Length (OAL) | 36 mm |
| Coolant Supply Property (CSP) | Coolant Thru |
| Flute Count (NOF) | 2 |
| Point Angle (SIG) | 140 Degrees |
| Cutting Direction (HAND) | Right Hand |
2% Off All Online Orders
Use Code: 2%OFF
Best Price Guarantee - Email Us A Better Published Price and We'll Beat It
DC160-05-04.366A1-WJ30ET
Item #: TT097377440
Brand: Walter-Titex
Model #: 7377440
| Product Specifications | |
|---|---|
| Drill Bit Size / Cutting Diameter (DC) | 0.1719″ |
| Shank Type | Cylindrical |
| Drill Bit Size / Cutting Diameter (DC) - Inch | 11/64″ |
| Cutting Edge Material | Carbide |
| Decimal Equivalent | 0.1719″ |
| Flute Type | Spiral |
| Length Group | 5xD |
| Measurement Type | Inch |
| Coating | TiSiAlCrN / TiAlN |
| Series/List # | DC160 |
| Connection Diameter Machine Side (DCONMS) | 0.236″ |
| Overall Length (OAL) | 1.417″ |
| Coolant Supply Property (CSP) | Coolant Thru |
| Flute Count (NOF) | 2 |
| Point Angle (SIG) | 140 Degrees |
| Cutting Direction (HAND) | Right Hand |
| Functional Length (LF) | 1.417″ |
2% Off All Online Orders
Use Code: 2%OFF
Best Price Guarantee - Email Us A Better Published Price and We'll Beat It
DC160-05-04.500A1-WJ30ET
Item #: TT097377443
Brand: Walter-Titex
Model #: 7377443
| Product Specifications | |
|---|---|
| Drill Bit Size / Cutting Diameter (DC) | 4.5 mm |
| Functional Length (LF) | 36 mm |
| Decimal Equivalent | 0.1772″ |
| Shank Type | Cylindrical |
| Drill Bit Size / Cutting Diameter (DC) - Metric | 4.5 mm |
| Cutting Edge Material | Carbide |
| Length Group | 5xD |
| Flute Type | Spiral |
| Coating | TiSiAlCrN / TiAlN |
| Measurement Type | Metric |
| Connection Diameter Machine Side (DCONMS) | 6 mm |
| Overall Length (OAL) | 36 mm |
| Coolant Supply Property (CSP) | Coolant Thru |
| Flute Count (NOF) | 2 |
| Point Angle (SIG) | 140 Degrees |
| Cutting Direction (HAND) | Right Hand |
2% Off All Online Orders
Use Code: 2%OFF
Best Price Guarantee - Email Us A Better Published Price and We'll Beat It
DC160-05-05.556A1-WJ30ET
Item #: TT097377471
Brand: Walter-Titex
Model #: 7377471
| Product Specifications | |
|---|---|
| Drill Bit Size / Cutting Diameter (DC) | 0.2187″ |
| Shank Type | Cylindrical |
| Drill Bit Size / Cutting Diameter (DC) - Inch | 7/32″ |
| Cutting Edge Material | Carbide |
| Decimal Equivalent | 0.2187″ |
| Flute Type | Spiral |
| Length Group | 5xD |
| Measurement Type | Inch |
| Coating | TiSiAlCrN / TiAlN |
| Series/List # | DC160 |
| Connection Diameter Machine Side (DCONMS) | 0.236″ |
| Overall Length (OAL) | 1.417″ |
| Coolant Supply Property (CSP) | Coolant Thru |
| Flute Count (NOF) | 2 |
| Point Angle (SIG) | 140 Degrees |
| Cutting Direction (HAND) | Right Hand |
| Functional Length (LF) | 1.732″ |
2% Off All Online Orders
Use Code: 2%OFF
Best Price Guarantee - Email Us A Better Published Price and We'll Beat It
DC160-05-05.800A1-WJ30ET
Item #: TT097377476
Brand: Walter-Titex
Model #: 7377476
| Product Specifications | |
|---|---|
| Drill Bit Size / Cutting Diameter (DC) | 5.8 mm |
| Functional Length (LF) | 44 mm |
| Decimal Equivalent | 0.2283″ |
| Shank Type | Cylindrical |
| Drill Bit Size / Cutting Diameter (DC) - Metric | 5.8 mm |
| Cutting Edge Material | Carbide |
| Length Group | 5xD |
| Flute Type | Spiral |
| Coating | TiSiAlCrN / TiAlN |
| Measurement Type | Metric |
| Connection Diameter Machine Side (DCONMS) | 6 mm |
| Overall Length (OAL) | 36 mm |
| Coolant Supply Property (CSP) | Coolant Thru |
| Flute Count (NOF) | 2 |
| Point Angle (SIG) | 140 Degrees |
| Cutting Direction (HAND) | Right Hand |
2% Off All Online Orders
Use Code: 2%OFF
Best Price Guarantee - Email Us A Better Published Price and We'll Beat It
DC160-05-06.747A0-WJ30ET
Item #: TT097378515
Brand: Walter-Titex
Model #: 7378515
| Product Specifications | |
|---|---|
| Drill Bit Size / Cutting Diameter (DC) | 0.2656″ |
| Shank Type | Cylindrical |
| Drill Bit Size / Cutting Diameter (DC) - Inch | 17/64″ |
| Cutting Edge Material | Carbide |
| Decimal Equivalent | 0.2656″ |
| Flute Type | Spiral |
| Length Group | 5xD |
| Measurement Type | Inch |
| Coating | TiSiAlCrN / TiAlN |
| Series/List # | DC160 |
| Connection Diameter Machine Side (DCONMS) | 0.315″ |
| Overall Length (OAL) | 1.417″ |
| Coolant Supply Property (CSP) | External |
| Flute Count (NOF) | 2 |
| Point Angle (SIG) | 140 Degrees |
| Cutting Direction (HAND) | Right Hand |
| Functional Length (LF) | 2.087″ |
2% Off All Online Orders
Use Code: 2%OFF
Best Price Guarantee - Email Us A Better Published Price and We'll Beat It
DC160-05-07.000A0-WJ30ET
Item #: TT097378520
Brand: Walter-Titex
Model #: 7378520
| Product Specifications | |
|---|---|
| Drill Bit Size / Cutting Diameter (DC) | 7 mm |
| Functional Length (LF) | 53 mm |
| Decimal Equivalent | 0.2756″ |
| Shank Type | Cylindrical |
| Drill Bit Size / Cutting Diameter (DC) - Metric | 7 mm |
| Cutting Edge Material | Carbide |
| Length Group | 5xD |
| Flute Type | Spiral |
| Coating | TiSiAlCrN / TiAlN |
| Measurement Type | Metric |
| Connection Diameter Machine Side (DCONMS) | 8 mm |
| Overall Length (OAL) | 36 mm |
| Coolant Supply Property (CSP) | External |
| Flute Count (NOF) | 2 |
| Point Angle (SIG) | 140 Degrees |
| Cutting Direction (HAND) | Right Hand |
2% Off All Online Orders
Use Code: 2%OFF
Best Price Guarantee - Email Us A Better Published Price and We'll Beat It
9/64″ Dia. × 0.2362″ Shank × 28 mm Flute Length × 66 mm OAL, 5xD, 140°, TA, 2 Flute, Coolant Thru, Round Solid Carbide Drill
Item #: DD9251903
Brand: KYOCERA SGS Precision Tools
Model #: 51903
| Product Specifications | |
|---|---|
| Drill Bit Size / Cutting Diameter (DC) | 9/64″ |
| Tool Type | Drill |
| Drill Bit Size / Cutting Diameter (DC) - Inch | 9/64″ |
| Length Below Shank | 1.417″ |
| Decimal Equivalent | 0.1406″ |
| Flute Type | Spiral |
| Length Group | 5xD |
| Measurement Type | Inch |
| Coating | TA |
| Series/List # | Ice-Carb |
| Connection Diameter Machine Side (DCONMS) | 0.2362″ |
| Usable Length (LU) | 21 mm |
| Coolant Supply Property (CSP) | Coolant Thru |
| Length Chip Flute (LCF) | 28 mm |
| Point Angle (SIG) | 140 Degrees |
| Overall Length (OAL) | 66 mm |
| Flute Helix Angle (FHA) | 30 Degrees |
| Flute Count (NOF) | 2 |
| Shank Type | Round |
| Cutting Direction (HAND) | Right Hand |
| Cutting Edge Material | Carbide |
2% Off All Online Orders
Use Code: 2%OFF
Best Price Guarantee - Email Us A Better Published Price and We'll Beat It