We ship from multiple warehouses throughout the USA
to get you what you need as fast as possible!
Millions of items in stock!
Fast online checkout - No account required
Cart 0
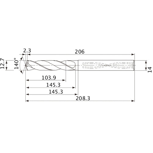
MVS1270X08S140 DP1020 12.7 mm Dia. × 14 mm Shank × 145.3 mm Flute Length × 208.3 mm OAL, 140°, 2 Flute, Coolant Thru, Solid Carbide Drill

MVS1270X08S140 DP1020 12.7 mm Dia. × 14 mm Shank × 145.3 mm Flute Length × 208.3 mm OAL, 140°, 2 Flute, Coolant Thru, Solid Carbide Drill


Item #: MB03699288
Brand: Mitsubishi Materials USA
Model #: 699288

Product Specifications
Drill Bit Size / Cutting Diameter (DC) 12.7 mm
Flute Helix Angle (FHA) 30 Degrees
Drill Bit Size / Cutting Diameter (DC) - Metric 12.7 mm
Cutting Edge Material Carbide
Length Group 8xD
Grade DP1020
Applicable Material Steel | Stainless Steel | Cast Iron | Hard Materials | Super-Alloys / Titanium | Aluminum / Non-Ferrous Materials
Measurement Type Metric
Connection Diameter Machine Side (DCONMS) 14 mm
Series/List # MVS
Head Length (LH) 145.3 mm
Usable Length (LU) 103.9 mm
Coolant Supply Property (CSP) Coolant Thru
Length Chip Flute (LCF) 145.3 mm
Point Angle (SIG) 140 Degrees
Overall Length (OAL) 208.3 mm
Point Length (PL) 2.3 mm
Flute Count (NOF) 2
Functional Length (LF) 206 mm
Feature New grade DP1020 offers long tool life for a wide range of work materials.,Unique coolant supply technology, TRI-cooling offers high machining efficiency. (on drills over ø6)
$464.91

2% Off All Online Orders
Use Code: 2%OFF

Best Price Guarantee - Email Us A Better Published Price and We'll Beat It